Generac 3100 Psi Pressure Washer Troubleshooting

Generac 3 100 Psi 2 4 Gpm Ohv Engine Axial Cam Pump Gas Pressure Washer With Variable Psi Gun 7019 The Home Depot

Generac 3 100 Psi 2 4 Gpm Ohv Engine Axial Cam Pump Gas Pressure Washer With Variable Psi Gun 7019 The Home Depot

Generac 3100 Pressure Washer Owners Manual

Generac 3100 Pressure Washer Owners Manual

Generac Onewash 3100 Psi 2 8 Gpm Cold Water Gas Pressure Washer In The Gas Pressure Washers Department At Lowes Com

Generac Onewash 3100 Psi 2 8 Gpm Cold Water Gas Pressure Washer In The Gas Pressure Washers Department At Lowes Com

Troubleshooting Your Pressure Washer

Troubleshooting Your Pressure Washer

Generac Pressure Washer Service Manual

Generac Pressure Washer Service Manual

Gen0317001 Generac Pressure Washer Setup Hd 1080p Youtube

Gen0317001 Generac Pressure Washer Setup Hd 1080p Youtube

Gen0317001 Generac Pressure Washer Setup Hd 1080p Youtube

Maintaining your equipment with original equipment manufacturer parts is key to the performance and reliability you count on.

Generac 3100 psi pressure washer troubleshooting.

Products are available to maximize convenience and simplify maintenance for years of pressure washing performance. Shop by generac pressure washer parts. Just be sure to enter the full model number of your generac pressure washer in our website s search bar to find the specific replacement part you want. Each tip is approved by our editors and created by expert writers so great we call them gurus.

Generac 3100 psi pressure washer model 7019. They also use about one fifth of the water that a garden hose uses saving water in the process. Generac 2900 psi pressure washer w detergent tank model g0079540. It is less that a year old and stored in a new shed.

Generac 2900 3200 psi speedwash pressure washers. They can remove the dirt and old paint from any surface. Whether you re washing the car or refreshing the appearance of your home and surrounding landscape the generac 3100 psi pressure washer with electric start boasts auto choke and electric start capabilities to simplify the starting process and promote smooth product operation. I make sure no pressure is in power hose and gun beyond a gentle spray thru.

While your generac pressure washer will usually function well sometimes it may not. Pressure washers are also handy for preparation work for painting. If you re still having pressure washer problems check your outdoor power equipment manual or contact a briggs stratton dealer near you for assistance. Lifetips is the place to go when you need to know about pressure washers tips and hundreds of other topics.

En espaƱol live chat online. By supplying your email address you authorize generac to contact you regarding special offers and generac products. Troubleshooting pressure washer problems get your outdoor cleaning projects back on track in no time with this q a approach to pressure washer troubleshooting. Find the most common problems that can cause a generac pressure washer not to work and the parts instructions to fix them.

Generac 2900 psi pressure washer model g0088740. Read these 17 troubleshooting your pressure washer tips tips to make your life smarter better faster and wiser. If you need additional help finding the right part you can always call our customer service team at 1 800 269 2609. Boost your pressure washer s performance with accessories from generac.

Generac 3100 psi pressure washer 49 state model 6509.

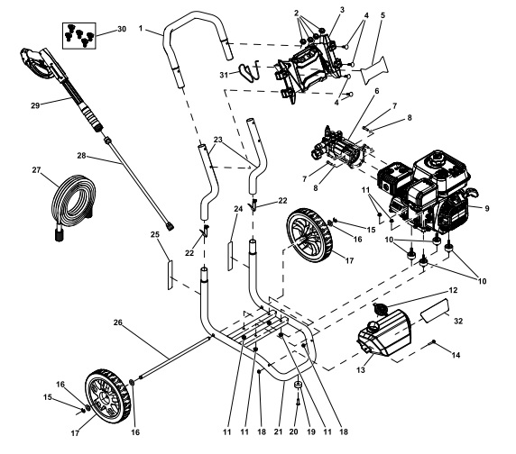
Generac Pressure Washer 006549 Replacement Parts Pump Breakdown Repair Kits Owners Manual And Upgrade Pump

Generac Pressure Washer 006549 Replacement Parts Pump Breakdown Repair Kits Owners Manual And Upgrade Pump

Generac G27h Pressure Washer Manual

Generac G27h Pressure Washer Manual

Generac Power Washer Troubleshooting Generac 6564 Generac Power Washer Manual 2800 Cvc Dhu026710 Info

Generac Power Washer Troubleshooting Generac 6564 Generac Power Washer Manual 2800 Cvc Dhu026710 Info

Generac 2700 Psi Power Washer Manual

Generac 2700 Psi Power Washer Manual

Source : pinterest.com